- Hage og utemiljø
- Verktøy og redskap
- Baderomsinnredning
- Drivhus
- Dører og porter
- Lagerrydding
- Sport og fritid
- Treningsapparater
- Vinduer
- Hjem og dekor
- Boder og hytter i byggesett
- Hus og bygg
- Bil og garasje
- Tilbud
- Nyheter
- Outlet
- Alle produkter
- Varemerker
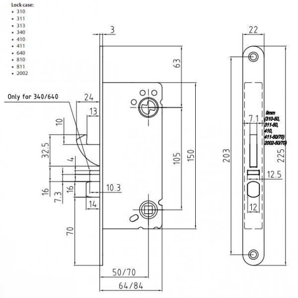
Låshus ASSA ABLOY 2002-50 - Høyre
Låshus 2002 i ASSA ABLOYs Connect-serie er en sertifisert borrelås som med sitt trykkfall er perfekt for inngangsdører i ulike typer boliger, som villaer, leiligheter og betjente bygg.
Låsen kan låses og låses opp med nøkkel eller en spesifikk knottplate tilpasset Låshus 2002. Trykkfallet trekkes tilbake ved hjelp av trykket på dørtrykksettet. Når oppsettknappen trykkes, blokkeres dreiefunksjonen, som hindrer at låsen åpnes uten nøkkel og dermed øker sikkerheten når ingen er hjemme. Når låsen åpnes med nøkkelen aktiveres knottfunksjonen automatisk, noe som gjør den enkel og praktisk å bruke når noen er inne i hjemmet.
For å opprettholde den høye sikkerhetsklassen (klasse 3) bør Låshus 2002 utstyres med doble, runde sylindre. Dersom det er montert knott på innsiden av døren, anbefales en magnetisk knott for å sikre funksjonaliteten til låsehuset.
Egenskaper:
- SS-EN 12209 & SSF 3522 klasse 3 Sertifikat: Låshus 2002 er sertifisert i henhold til SS-EN 12209 og SSF 3522 klasse 3, som betyr at den er godkjent av mange forsikringsselskaper som en sikker låseanordning. Tykkelsen på kroken er 9 mm, noe som gir en robust og sikker konstruksjon.
Krokstangen låses automatisk med en 360° dreining av nøkkelen. En oppsettknapp blokkerer svingfunksjonen i stolpen, noe som gir ekstra sikkerhet. Krokstokken, som er tvangsstyrt og herdet, sikrer en sterk forbindelse mellom dør og karm. Trykkfallene er laget av stål og låsehuset 2002 egner seg også for brannklassifiserte dører. I tillegg kan låsen kombineres med elektrisk endeplate for kroklinjallåser.
Spesifikasjoner:
- Materiale: Galvanisert
- Dorndybde: 50 mm
- Hengende: Høyre, beregnet for høyrehengte dører
Slik håndterer vi kundeanmeldelser
Vi sikrer at våre produktanmeldelser kommer fra ekte kunder gjennom følgende prosess:
Etter hver levert bestilling sender vi en unik lenke til kunden via e-post. Gjennom denne lenken kan kunden kun anmelde de spesifikke produktene som inngikk i den aktuelle bestillingen – ingen andre produkter kan anmeldes via samme lenke. På anmeldelsessiden har kunden også mulighet til å vurdere oss som forhandler. Denne metoden garanterer at alle anmeldelser kommer fra kunder som faktisk har kjøpt og mottatt produktene de anmelder.
Publisering av anmeldelserVi publiserer alle anmeldelser som følger våre retningslinjer, uavhengig av vurdering. Det betyr at både positive og negative tilbakemeldinger vises, så lenge de ikke inneholder upassende språk, personangrep eller mangler relevans.
Anmeldelser som kun gjelder leveringsproblemer (f.eks. forsinkelser) publiseres ikke på produktsiden, siden de ikke vurderer selve produktet. Slike tilbakemeldinger kan derimot gis i vurderingen av oss som forhandler.
Beregning av gjennomsnittlig vurderingDen gjennomsnittlige vurderingen for et produkt vises som et gjennomsnitt av alle publiserte anmeldelser for akkurat det produktet.
Les mer (5 av 5) av Verifisert kjøper (2025-04-21)
                            
                            2025-04-21
 (5 av 5) av Verifisert kjøper (2025-04-21)
                            
                            2025-04-21
                         (5 av 5) av Verifisert kjøper (2024-10-16)
                            
                            2024-10-16
 (5 av 5) av Verifisert kjøper (2024-10-16)
                            
                            2024-10-16
                         (5 av 5) av Verifisert kjøper (2024-08-11)
                            
                            2024-08-11
 (5 av 5) av Verifisert kjøper (2024-08-11)
                            
                            2024-08-11
                         (5 av 5) av Verifisert kjøper (2024-08-09)
                            
                            2024-08-09
 (5 av 5) av Verifisert kjøper (2024-08-09)
                            
                            2024-08-09
                         (5 av 5) av Verifisert kjøper (2024-08-04)
                            
                            2024-08-04
 (5 av 5) av Verifisert kjøper (2024-08-04)
                            
                            2024-08-04
                         
- Lave priser og stort utvalg
- Kun kvalitetsprodukter!
- Betal 14 dager etter levering uten ekstra kostnader!
- Rask leveranse!
- Hyggelig kundetjeneste!
- Våre kunnskapsrike og hyggelige kundebehandlere er her for å hjelpe deg og svare på spørsmål knyttet til kjøpet ditt!
Ved å bli medlem godtar du Hjemfint.no Retningslinjer for personvern.




